Mittleres Hybridsystem

Mittleres Hybridsystem

Ein netzgebundenes und netzunabhängiges Energiespeichersystem integriert Photovoltaik (PV)-Stromerzeugung, Energiespeicherung und intelligente Steuerung. Es kann sowohl im netzgekoppelten als auch im eigenständigen Modus betrieben werden und gewährleistet so eine kontinuierliche und stabile Stromversorgung.

Anfrage absenden

Produktbeschreibung


Besonderheit

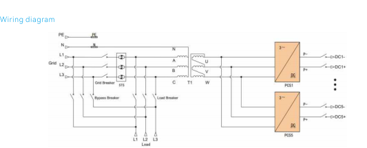
Das System nutzt modulare Wechselrichtereinheiten in Parallelkonfiguration

Der DC-Eingang jedes Wechselrichtermoduls entspricht einem eigenen Batterieschrank.

Ermöglicht die Verwaltung pro Cluster, um zirkulierende Ströme zwischen ihnen zu eliminieren

Batteriestränge.

Die AC/DC-Leistungsmodule unterstützen einen flexiblen Einsatz sowohl in der Menge als auch in der Menge

Nennleistung mit einer maximalen Kapazität von 60-kW-Modulen in einer Parallelschaltung mit 5 Einheiten

Konfiguration.

Der Wechselstromausgang der Leistungsmodule wird über einen Transformator geliefert

Isolierte Ausgangsstufe, die die Last mit starkem Widerstand mit Strom versorgt

aktueller Schock.

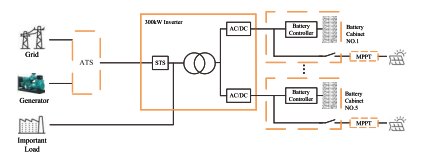
Das Hybrid-ESS nutzt eine gleichstromgekoppelte Photovoltaik-Integration und erreicht so eine hohe Leistung

Energieumwandlungseffizienz und optimiert für Off-Grid-Szenarien mit PV

Erzeugungskapazität übersteigt Lastbedarf; Für den Außenbereich geeignete MPPT-Controller

Integrieren Sie Combiner- und MPPT-Funktionen in einem einzigen gehärteten Gehäuse.

Das Komplettsystem umfasst einen optionalen Dieselgenerator (ATS) und einen 300-kW-Hybrid

Wechselrichter, PV-MPPT-Regler und ein Batterie-Energiespeichersystem.



Besonderheit

Das System nutzt modulare Wechselrichtereinheiten in Parallelkonfiguration

Der DC-Eingang jedes Wechselrichtermoduls entspricht einem eigenen Batterieschrank.

Ermöglicht die Verwaltung pro Cluster, um zirkulierende Ströme zwischen ihnen zu eliminieren

Batteriestränge.

Die AC/DC-Leistungsmodule unterstützen einen flexiblen Einsatz sowohl in der Menge als auch in der Menge

Nennleistung mit einer maximalen Kapazität von 60-kW-Modulen in einer Parallelschaltung mit 5 Einheiten

Konfiguration.

Der Wechselstromausgang der Leistungsmodule wird über einen Transformator geliefert

Isolierte Ausgangsstufe, die die Last mit starkem Widerstand mit Strom versorgt

aktueller Schock.

Das Hybrid-ESS nutzt eine gleichstromgekoppelte Photovoltaik-Integration und erreicht so eine hohe Leistung

Energieumwandlungseffizienz und optimiert für Off-Grid-Szenarien mit PV

Erzeugungskapazität übersteigt Lastbedarf; Für den Außenbereich geeignete MPPT-Controller

Integrieren Sie Combiner- und MPPT-Funktionen in einem einzigen gehärteten Gehäuse.

Das Komplettsystem umfasst einen optionalen Dieselgenerator (ATS) und einen 300-kW-Hybrid

Wechselrichter, PV-MPPT-Regler und ein Batterie-Energiespeichersystem.









Spezifikationen

Modelle P200TS-400-A P250TS-400-A P300TS-400-A

DC-seitige Parameter
Spannungsbereich 650–950 VDC
Eingangsschalter pro Modul 250A
Anzahl der DC-Kanäle 3-Wege 4-Wege 5 Wege

AC-seitige Parameter
(netzgekoppelt)
Nennausgangsleistung 200 kW 250 kW 300 kW
Maximale Ausgangsleistung 220 kW 275 kW 330 kW
Nennausgangsstrom 289A 361A 433A
THDi <3%
Gittertyp 3W+N+PE
Spannungsbereich 360 VAC ~ 440 VAC
Frequenzbereich 45~55Hz/55~65Hz
Leistungsfaktor -1~1

Inseliert
AC-seitige Parameter
Nennausgangsleistung 200 kW 250 kW                    300 kW
Nennausgangsspannung 400Vac
Nennausgangsfrequenz 50/60Hz
THDu <1 % linear, <5 % nichtlinear<1 % linear, <5 % nichtlinear
Überlastfähigkeit 110 % Überlastung für 10 Minuten110 % für 10 Minuten

Grid-Islanding
Transfer- und Schaltanlagen
Wartungs-Bypass-Schalter 400A 630A
Netzschalter 630A 800A
Lastschalter 400A 630A
STS-Einheit 577A/400kW 722A/500kW
Schaltzeit <20ms

Systemparameter
Höchste Effizienz 97,5 %
Betriebstemperatur -30~55℃-30~55℃ (Derating über 40℃)
Relative Luftfeuchtigkeit 0–95 % rF, 0–95 % rF, nicht kondensierend
Abmessungen (L*T*H) 1300×1050×2050mm
Gewicht 1400 kg 1700kg               1800kg
IPgrade IP21 IP21 (vollständiger Satz)
Lärm <70dB
Bildschirm anzeigen LCD-Touchscreen
BMS-Kommunikation DÜRFEN
EMS-Kommunikation TCP/IP


Hot-Tags: Mittleres Hybridsystem
Anfrage absenden
Bitte zögern Sie nicht, Ihre Anfrage im untenstehenden Formular zu stellen. Wir werden Ihnen innerhalb von 24 Stunden antworten.
X
Wir verwenden Cookies, um Ihnen ein besseres Surferlebnis zu bieten, den Website-Verkehr zu analysieren und Inhalte zu personalisieren. Durch die Nutzung dieser Website stimmen Sie der Verwendung von Cookies zu. Datenschutzrichtlinie